Контрольная работа: Основы радиоэлектроники и схемотехники
|
Название: Основы радиоэлектроники и схемотехники Раздел: Рефераты по коммуникации и связи Тип: контрольная работа | ||||||||||||||||||||||||||||||||||||||||||
Министерство образования Республики Беларусь Учреждение образования БЕЛОРУССКИЙ ГОСУДАРСТВЕННЫЙ УНИВЕРСИТЕТ ИНФОРМАТИКИ И РАДИОЭЛЕКТРОНИКИ Контрольная работа по курсу "Основы радиоэлектроники и схемотехники" 2009 Задание 1
Дано: Uвых = 10 В Iн = 40 мА DUвых = 10 мВ Рассчитать стабилизированный источник питания с мостовой схемой выпрямителя. Решение: 1. Выберем стабилитрон VD5исходя из следующих условий: U ст = U вых I ст > I н Данным условиям удовлетворяет стабилитрон КС510А, параметры которого приведем в таблице 1. Таблица 1
2. Так как ток Iн = 40 мА, то зададимся коэффициентом стабилизации Kст = 60. 3. Определим амплитуду пульсаций на входе стабилизатора K ст = D U вхст/ D U вых D U вхст = K ст × D U вых = 60 × 0,01 = 0,6 (В) 4. Определим сопротивление гасящего резистора, обеспечивающее требуемый коэффициент стабилизации:
Выберем из ряда с отклонением 5. Определим рабочий ток стабилитрона: I ст min £ I ст £ ( I ст max - I н) I ст = 79-40 = 39 (мА) 6. Определим ток гасящего резистора: I г = I ст + I н = 39 + 40 = 79 (мА) 7. Определим сопротивление нагрузки:
Выберем из ряда с отклонением 8. Необходимое постоянное напряжение на входе стабилитрона равно: U вхст = U вых + I г R г = 10 + 0,079 × 1200=94,8 (В) 9. Рассчитаем температурный уход выходного напряжения стабилизатора при изменении температуры на +500 .
10. Результаты расчета сведем в таблицу 2 Таблица 2
11. Для расчета выпрямителя исходными данными являются следующие рассчитанные параметры стабилизатора: U выхвыпр = U вхст = 94,8 (В) D U выхвыпр = D U вхст = 0,6 (В) I нвыпр m = I г = 79 (мА) 12. Определим амплитуду входного напряжения выпрямителя: U вх m = U вхст + D U вхст + U пр, где Uпр – падение напряжения на прямосмещенном диоде выпрямителя. Примем падение напряжения на одном диоде Uпр = 1 В. Поскольку в мостовой схеме два прямосмещенных диода включенных последовательно, то падение напряжения будет равно 2 В. Отсюда амплитуда входного напряжения выпрямителя равна: U вх m = 94,8 + 0,6 + 2 » 98 (В) 13. Рассчитаем емкость конденсатора, при этом частоту входного напряжения примем равной f=50Гц:
Выберем из ряда с отклонением 14. Определим амплитуду обратного напряжения на диоде для мостовой схемы: Um обр = U вх m = 98 (В) 15. По рассчитанным параметрам выберем диоды для схемы выпрямителя причем: I нвыпр m < I пр max Um обр < U обр max Результаты расчета сведем в таблицу 3. Таблица 3
Задание 2
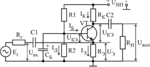
Усилительный каскад с ОЭ
Решение: 1. Для обеспечения стабилизации рабочей точки падение напряжения на резисторе Rэ выбираем из условия: U э = I э R э = 0,2 U кэ = 0,2 × 9 = 1,8 (В) 2. Напряжение питания для обеспечения максимального значения амплитуды неискаженного выходного сигнала выберем исходя из следующего условия: U ип = 2 U кэ + U э = I к R к + U кэ + U э = 2 × 9 + 1,8 = 19,8 (В) 3. Сопротивления резисторов RЭ и RК находим по выражениям R к = ( U ип - U кэ - U э ) / I к =(19,8-9-1,8)/0,008 = 1125 (Ом) , Rэ = Uэ/Iэ, т.к. можно считать, что Iэ »Iк, то сопротивление Rэ будет равно: R э » U э/ I к » 1,8/0,008 » 225 (Ом) Выберем из ряда с отклонением 4. Определим ток базы I б = I к/ h 21э Определим по справочнику коэффициент передачи по току для транзистора КТ3102А, h21э = 200…500. Пусть h21э = 300, тогда I б = 0,008/300 » 27 (мкА) 5. Определим потенциал базы транзистора: U б = U бэ + U э, где напряжение база – эмиттер в рабочей точке для кремниевого транзистора можно принять Uбэ = 0,6 В. U б = 0,6 + 1,8 = 2,4 (В) 6. Для обеспечения работоспособности схемы стабилизации задаемся током делителя напряжения, образованного резисторами R1 и R2, в десять раз больше, чем ток базы: I д = 10 × I б = 10 × 27 × 10-6 = 0,27 (мА) 7. Находим сопротивления R1 и R2: R 1 = ( U ип- U б)/( I д + I б) = (19,8 – 2,4)/(270 × 10-6 + 27 × 10-6 ) = 74747 (Ом) R 2 = U б/ I д = 2,4/270 × 10-6 = 8888 (Ом) Выберем из ряда с отклонением 8. Определим емкости конденсаторов при выполнении которых значение коэффициента усиления по напряжению на нижней граничной частоте fн = 20 Гц уменьшается не более чем в 2 раз.
где Rвх - входное сопротивление каскада.
где
Значения DUбэ и DIб определим по входным характеристикам транзистора
Выберем из ряда с отклонением
Выберем из ряда с отклонением
Выберем из ряда с отклонением
9. Рассчитаем коэффициент усиления каскада по току:
10. Рассчитаем коэффициент усиления каскада по напряжению:
где rэ – дифференциальное сопротивление эмиттерного перехода.
где Iэ0 – ток эмиттера в рабочей точке Iэ0 »Iк, jт – тепловой потенциал равный 26 мВ.
11. Определим сквозной коэффициент усиления по напряжению:
12. Определим выходное сопротивление:
Определим выходную проводимость транзистора h22э по выходным характеристикам
![]() 13. Определим нижние граничные частоты при выбранных емкостях C1, C2 и Сэ:
14. Определим коэффициенты частотных искажений, обусловленных фильтрами, на частоте f=20Гц:
Мн1 = 1,21 Мн2 = 1,23 Мн3 = 1,26 15. Определим верхние граничные частоты:
где Сэ и Ск справочные данные емкостей переходов транзистора равные 15 пФ и 6 пФ соответственно. Скэкв = ( Ku + 1)Ск = (72,5+1)∙6∙10-12 = 441 (пФ)
16. Определим коэффициенты частотных искажений на частоте f = 20 кГц:
Мв1 = 1,000004 Мв2 = 1,00005. Расчет каскада с ОБ
1. Для обеспечения стабилизации рабочей точки падение напряжения на резисторе Rэ выбираем из условия: U э = I э R э = 0,2 U кэ = 0,2 × 9 = 1,8 (В) 2. Напряжение питания для обеспечения максимального значения амплитуды неискаженного выходного сигнала выберем исходя из следующего условия: U ип = 2 U кэ + U э = I к R к + U кэ + U э = 2 × 9 + 1,8 = 19,8 (В) 3. Сопротивления резисторов Rэ и Rк находим по выражениям R к = ( U ип - U кэ - U э ) / I к =(19,8-9-1,8)/0,008 = 1125 (Ом) , Rэ = Uэ/Iэ, т.к. можно считать, что Iэ »Iк, то сопротивление Rэ будет равно: R э » U э/ I к » 1,8/0,008 » 225 (Ом) Выберем из ряда с отклонением 4. Определим ток базы I б = I к/ h 21э Определим по справочнику коэффициент передачи по току для транзистора КТ3102А, h21э = 200…500. Пусть h21э = 300, тогда I б = 0,008/300 » 27 (мкА) 5. Определим потенциал базы транзистора: U б = U бэ + U э, где напряжение база – эмиттер в рабочей точке для кремниевого транзистора можно принять Uбэ = 0,6 В. U б = 0,6 + 1,8 = 2,4 (В) 6. Для обеспечения работоспособности схемы стабилизации задаемся током делителя напряжения, образованного резисторами R1 и R2, в десять раз больше, чем ток базы: I д = 10 × I б = 10 × 27 × 10-6 = 0,27 (мА) 7. Находим сопротивления R1 и R2: R 1 = ( U ип- U б)/( I д + I б) = (19,8 – 2,4)/(270 × 10-6 + 27 × 10-6 ) = 74747 (Ом) R 2 = U б/ I д = 2,4/270 × 10-6 = 8888 (Ом) Выберем из ряда с отклонением 8. Определим емкости конденсаторов при выполнении которых значение коэффициента усиления по напряжению на нижней граничной частоте fн = 20 Гц уменьшается не более чем в 2 раз.:
где Rвх - входное сопротивление каскада включенного по схеме с ОБ; Rвых – выходное сопротивление каскада включенного по схеме с ОБ. R вых = R к = 1100 (Ом)
где
где rэ – дифференциальное сопротивление эмиттерного перехода. h21б – коэффициент передачи по току для схемы с ОБ.
где Iэ0 – ток эмиттера в рабочей точке Iэ0 »Iк, jт – тепловой потенциал равный 26 мВ.
h 21б = I к/ I э = I к/( I к+ I б) = 8/8,027 = 0,99
Выберем из ряда с отклонением
Выберем из ряда с отклонением
Выберем из ряда с отклонением 9. Рассчитаем коэффициент усиления каскада по току:
10. Рассчитаем коэффициент усиления каскада по напряжению:
13. Определим нижние граничные частоты при выбранных емкостях C1, C2 и Сэ:
14. Определим коэффициенты частотных искажений, обусловленных фильтрами, на частоте f=20Гц:
Мн1 = 1,41 Мн2 = 1,44 Мн3 = 1,4 15. Определим верхние граничные частоты:
где Сэ и Ск справочные данные емкостей переходов транзистора равные 15 пФ и 6 пФ соответственно. Скэкв = ( Ku + 1)Ск = (71+1)∙6∙10-12 = 432 (пФ)
16. Определим коэффициенты частотных искажений на частоте f = 20 кГц:
Мв1 = 1,0000002 Мв2 = 1,00005 Расчет каскада с ОК
Решение 1. Вычисляем максимально возможное значение амплитуды тока нагрузки, соответствующее идеальному согласованию, когда Uвых = Eг:
2. Выбираем рабочую точку БТ: I э = 1,3 I н = 1,3 × 5,3 = 6,89 (мА) U кэ = U э = I э R э = U ип/2 = 15/2 = 7,5 (В) 3. Сопротивление резистора Rэ находим по формуле: Rэ = Uэ/Iэ = 7,5/0,00689 =1088 (Ом), Выберем из ряда с отклонением 4. Определим ток базы I б = I э/ h 21э Определим по справочнику коэффициент передачи по току для транзистора КТ3102А, h21э = 200…500. Пусть h21э = 300, тогда I б = 0,00689/300 » 23 (мкА) 5. Определим потенциал базы транзистора: U б = U бэ + U э, где напряжение база – эмиттер в рабочей точке для кремниевого транзистора можно принять Uбэ = 0,6 В. U б = 0,6 + 7,5 =8,1 (В) 6. Для обеспечения работоспособности схемы стабилизации задаемся током делителя напряжения, образованного резисторами R1 и R2, в десять раз больше, чем ток базы: I д = 10 × I б = 10 × 23 × 10-6 = 0,23 (мА) 7. Находим сопротивления R1 и R2: R 1 = ( U ип- U б)/( I д + I б) = (15 – 8,1)/(230 × 10-6 + 23 × 10-6 ) = 27272 (Ом) R 2 = U б/ I д = 8,1/270 × 10-6 = 30000 (Ом) Выберем из ряда с отклонением 8. Определим емкости конденсаторов при выполнении которых значение коэффициента усиления по напряжению на нижней граничной частоте fн = 20 Гц:
где Rвх - входное сопротивление каскада включенного по схеме с ОК; Rвых – выходное сопротивление каскада включенного по схеме с ОК.
R вых = 17 (Ом)
где
Выберем из ряда с отклонением
Выберем из ряда с отклонением 9. Рассчитаем коэффициент усиления каскада по току:
10. Рассчитаем коэффициент усиления каскада по напряжению:
13. Определим нижние граничные частоты при выбранных емкостях C1, C2 и Сэ:
14. Определим коэффициенты частотных искажений, обусловленных фильтрами, на частоте f=20Гц:
Мн1 = 1,41 Мн2 = 1,35 15. Определим верхние граничные частоты:
Ск справочные данные емкости перехода транзистора равная 6 пФ:
16. Определим коэффициенты частотных искажений на частоте f = 20 кГц:
Мв1 = 1,000003 Мв2 = 1,00002 Мв3 = 1,000002 Задание 3
Решение: 1. По заданным Uип и Uвыхmax определим Rк U ип экв = U ип × R н /( R к + R н ), Rк экв = Rк × Rн /(Rк + Rн ). Uвых max = Uип экв - Iкб0 Rк экв Поскольку ток Iкб0 = 0,05 мкА (см. приложение 3), то выразив Rк из формул имеем:
Выберем из ряда с отклонением 2. По известному Rк определим Uип экв и Rк экв Uип экв = Uип × Rн /(Rк + Rн ) = 15 × 8200/(2000+8200) = 12,06 (В), Rк экв = Rк × Rн /(Rк + Rн) = 2000 × 8200/(2000+8200) = 1608 (Ом). 3. На семействе выходных ВАХ БТ построим нагрузочную прямую, описываемую уравнением I к( U кэ) = ( U ип экв – U кэ) R к экв
По координатам точек пересечения нагрузочной прямой с выходными характеристиками, соответствующими токам базы Iб = Iб';Iб'';…, определяются значения напряжения коллектор – эмиттер, которое является выходным Uкэ = Uвых . Далее по входной характеристике БТ Iб = f (Uбэ) при Uкэ > 0 для тех же значений тока базы находятся соответствующие напряжения база-эмиттер Uбэ = Uбэ';Uбэ'';… . Входное напряжение рассчитывается согласно выражению
По известным U0 вых, U1 вых и U0 пор, U1 пор построим передаточную характеристику
4. Определим значения тока коллектора и базы Iкн, Iбн, соответствующие режиму насыщения, а также значение тока базы Iбm при максимальном значении входного напряжения Uвхm. I кн = ( U ипэкв – U 0 вых)/ R кэкв = (12,06 - 0,32)/1608 = 7,3 (мА) I бн = ( U ипэкв - U 0 вых)/( R кэкв × h 21э) = (12,06 – 0,32)/300 × 1608 = 24 (мкА) S = I б m/I бн I б m = S×Iбн = 2 × 24 = 48 ( мкА ) U вх m = 1,1 U 1 пор = 1,1 × 9 = 9,9 (В) выпрямитель каскад коллектор резистор 5. Определим сопротивление резистора R1: R 1 = ( U 1 пор - U 0 пор)/ I б m = (9-2)/0,000048 = 145833 (Ом) Выберем из ряда с отклонением 6. Определим сопротивление R2 U 0 пор = ( U бэпор( R 1+ R 2)+ U см R 1)/ R 2 Выразим R2 и приняв Uбэпор = 0,6 В имеем: R 2 = ( U бэпор+ U см) R 1/( U 0 пор- U бэпор) = (0,6+4) × 150000/(2-0,6) = 492857 (Ом) Выберем из ряда с отклонением 7. Рассчитаем быстродействие транзисторного ключа: t вкл = t вкл ln ( S /( S -1)) где t вкл – постоянная времени включения, определяемая выражениями t вкл = t h 21э + t к t h 21э = 1/(2 p fh 21э ) = 1/(2 p × 100 × 106 ) = 1,6 (нс) t к = (Cк + Cн )Rкэкв = (6 × 10-12 + 0,1 × 10-9 ) × 1608 = 0,17 (мкс) t вкл = 1,6 × 10-9 + 0,17 × 10-6 = 0,172 (мкс) t вкл = 0,172 × ln (2) = 0,12 (мкс) t зад выкл = ( t h 21э /2) ln (( I б+ I бобр)/( I бн+ I бобр)) I бобр = U см/ R 2 = 4/510000 = 7,8 (мкА) I б = I кб m = 48 (мкА) t зад выкл = 0,8 × 10-9 × ln ((48+7,8)/(24+7,8)) = 0,45 (нс) t сп = t h 21э ln (1+ I бн/ I бобр) = 1,6 × 10-9 ln (1+24/7,8) = 2,25 (нс) t нр U = 2,3 t к = 2,3 × 0,17 = 0,391 (мкс) |









(Гц)
(Гц)



(Гц)







