Курсовая работа: Конструирование утепленной ребристой плиты покрытия с фанерными обшивками
|
Название: Конструирование утепленной ребристой плиты покрытия с фанерными обшивками Раздел: Рефераты по строительству Тип: курсовая работа | |||||||||||||||||||||||||||||||||||||||||||||||||||||||||||||||||||||
Содержание 1. Исходные данные 2. Проектирование сборных плит покрытия с деревянным ребристым каркасом 2.1 Исходные данные 2.2 Компановка поперечного сечения плиты 2.3 Расчётная схема плиты, нагрузка и усилия 2.4 Проверка прочности панели по нормальным напряжениям 2.5 Проверка растянутой обшивки с учётом сращивания листов фанеры на "ус" в расчётном сечении 2.6 Проверка сжатой обшивки на устойчивость 2.7 Проверка фанеры на скалывание по собственному клеевому шву 2.8 Проверка жёсткости панели в целом 3. Проектирование дощатоклееной балки 3.1 Исходные данные 3.2 Решение по 1 варианту из неармированного дощатоклееного пакета. 3.3 Решение по 2 варианту с продольной арматурой в растянутой зоне. 4. Проектирование дощатоклееных колонн поперечной рамы одноэтажного дома 4.1 Составление расчётной схемы двухшарнирной поперечной рамы и определение расчётных усилий в колоннах 4.2 Конструктивный расчёт стержня колонны 4.2.1 Проверка устойчивости колоны в плоскости поперечника 4.2.2 Проверка устойчивости колоны из плоскости поперечника 4.3 Расчёт и конструирование узла крепления колоны к фундаменту 4.4 Определение расчётных усилий в плоскости сопряжения с фундаментом 4.5 Расчёт фундаментных болтов 4.6 Расчёт соединительных болтов 1. ИСХОДНЫЕ ДАННЫЕ 1. Пролет поперечника в осях А – Б, L = 21 м; 2. Высота корпуса в чистоте, H = 10 м; 3. Температурно-влажностный режим эксплуатации соответствует А3; 4. Класс ответственности здания по назначению – III 5. Район строительства: - по снеговой нагрузке – IV; - по ветровой нагрузке – IV; - по типу местности соответствует С. 6. Материал – сосна I, II, III сорта, фанера строительная водостойкая марки ФСФ (принимается по сортаменту). 2.1 Проектирование сборных плит покрытия с деревянным ребристым каркасом. 2.1. Исходные данные Рассчитать и сконструировать утепленную ребристую плиту покрытия с фанерными обшивками при следующих данных. Номинальные размеры плиты в плане (из схемы расположения элементов) bхl=1.5 х 4.5 м, конструктивные – соответственно 1.48 х 4.48 м. Материал ребер каркаса – сосновые доски 2-го сорта для продольных ребер и без ограничения для поперечных. Обшивки из березовой водостойкой фанеры марки ФСФ. Утеплитель минераловатные в виде полужестких плит марки 75 на синтетическом связующем, толщина 100 мм (по теплотехническому расчету). Пароизоляция из полиэтиленовой пленки толщиной 0.2 мм (масса 0.1 кг/м2 ). Кровля из 3-х слоев рубероида на битумной мастике (масса 0.1 кг/м2 ). Условия эксплуатации по температурно-влажностному режиму соответствуют А3. Район строительства по снеговой нагрузке – IV. Класс ответственности здания по назначению – III . 2.2 Компоновка поперечного сечения плиты Предварительно принимаем продольные ребра из доски толщиной bр =40 мм. При ширине плиты b=1480 мм целесообразно поставить четыре ребра. Тогда расстояние между ними в свету равно:
а между осями Удовлетворяет рекомендации. Предварительно задаемся толщиной листа фанеры верхней обшивки dф.в. = 10 мм, что составляет 1:46 шага ребер, близко рекомендуемой. Проверяем достаточность толщины расчетом на местный изгиб сосредоточенной силой Р=1.2 кН. Лист фанеры рассматриваем как балку–пластинку с рабочей шириной 100 см, защемленную по концам в местах приклейки к ребрам (Рис. 1). Расчетный изгибающий момент (выровненный): М=Р×а /8=1.2*42.7/8=6.405 кН×см; Момент сопротивления рабочего сечения обшивки: W=100×0.82 /6=10.7 см3 ; Условие прочности обшивки : smax =M/W £mн ×Rф .и .90 где mн =1.2 – коэффициент, учитывающий кратковременность монтажной нагрузки [1, табл.6]; Rф.и.90 = 6.5 МПа = 0.65 кН/см2 – расчетное сопротивление семислойной фанеры толщиной 10 мм изгибу из плоскости листа поперек наружных волокон [1, табл.10]. Рис. 1. К расчету верхней обшивки на местный изгиб: а – схема деформации балки пластинки; б – расчетная схема и эпюра моментов.
Подставляем: smax = 6.405/10.7 = 0.6 кН/см2 < mн ×Rф.и.90 = 1.2×0.65 = 0.78 кН/см2 . Условие прочности удовлетворяется. Задаемся толщиной нижней обшивки 6 мм. Размеры листов фанеры по сортаменту принимаем b´l = 1525´1525 мм. Так как длина плиты равна 4500 мм, то необходимо сращивать листы по длине, совмещая стыки c поперечными ребрами. Высоту сечения плиты назначаем в пределах hп =(1/25…1/30)×l=180…150 мм. По сортаменту пиломатериалов принимаем ребра из досок 150´40 мм. После фрезерования кромок действительная высота плиты будет равна hп =150-10+10+6=156 мм, что достаточно для размещения слоя утеплителя и образования продух (Рис. 2). Дальнейшим расчетом проверяем достаточность принятых размеров.
Рис. 2. Конструкция клеефанерной плиты с ребристым каркасом из досок: 1 – продольные ребра; 2 – поперечные ребра;3 – обшивка верхняя; 4 – обшивка нижняя; 5 – утеплитель; 6 – продух; 7 – стык фанеры. 2.3 Расчетная схема плиты, нагрузка и усилия Расчетная схема плиты на действие эксплуатационной нагрузки – балка на двух опорах, загруженная равномерно распределенной нагрузкой от собственной массы плиты с кровлей и снега (Рис. 3). Расчетная длина l0 = 0.98×l = 0.98×4.5 = 4.41 м.
*В соответствии с п. 5.7 при отношении постоянной нагрузки к снеговой 0.606/3.6 = 0.168<0.8 принят gf =1.6. Расчетные усилия :
Рис. 3. К расчету плиты на эксплуатационную нагрузку: а – схема опирания плиты на стропильные балки; б – расчетная схема плиты и усилия; 1 – плита; 2 – стропильные балки.
2.4 Проверка прочности панели по нормальным напряжениям Расчетное поперечное сечение показано на Рис. 4. Так как l0 = 4480 > 6×a = 6×467 = 2800 мм, то вводимая в расчет ширина обшивок bрасч = 0.9 ×b = 0.9×148 = 133 см. Суммарная ширина дощатых ребер Sbр = 4×4 = 16 см. Модули упругости древесины Ед = 1000 кН/см2 , фанеры семислойной марки ФСФ при dф = 8 мм, Еф = 850 кН/см2 , при dф = 6 мм, Еф = 950 кН/см2 . Принимаем усредненно Еф = 900 кН/см2 , тогда коэффициент приведения древесины к фанере nд/ф = 1000/900 = 1.11. Расстояние от низа плиты до центра тяжести приведенного сечения:
а от верха плиты до центра тяжести приведенного сечения:
Приведенные геометрические характеристики:
Рис. 4. Расчетное поперечное сечение плиты Расчетные сопротивления фанеры березовой семислойной по [1, табл.10] растяжению вдоль волокон: Rф.р = 14 МПа = 1.4 кН/см2 , сжатию вдоль волокон при толщине листа 8 мм: Rф.с = 12 МПа = 1.2 кН/см2 . Вводим поправочные коэффициенты. Для условия работы А3 по [1, табл.5] mв = 0.9. Для зданий II класса ответственности по [2, с. 34] gn = 0.9. Поправочный множитель к расчетным сопротивлениям:
2.5 Проверка растянутой обшивки с учетом сращивания листов фанеры на "yс" в расчетном сечении
что меньше чем = 0.6 × 1.4 × 1 = 0.84 кН/см2 , где mф = 0.6 – коэффициент, учитывающий снижение прочности фанеры при наличии стыков в расчетном сечении. Прочность растянутой обшивки обеспечена. 2.6 Проверка сжатой обшивки на устойчивость Предварительно, согласно [1, п. 4.26], вычисляем jф . При а0 /dф = 467/10 = 46.7< 50, находим jф
= . Условие устойчивости:
Подставим значения:
Устойчивость сжатой обшивки обеспечена. 2.7 Проверка фанеры на скалывание по собственному клеевому шву Предварительно находим статические моменты сдвигаемых частей относительно центра тяжести приведенного сечения. Сдвигается верхняя обшивка, Sсж отс = 133 × 1 × (7,1 – 1×0.5) =877,89 см3 . Сдвигается нижняя обшивка, Sр отс = 133 × 0.6 × (8,5 - 0.6×0.5) = 654,3 см3 . Наибольшим сдвигающим напряжениям соответствует Smax отс = Sсж отс = 877,89 см3 верхней обшивки. По [1], табл.10 при dф = 10 мм расчетное сопротивление скалыванию в плоскости листа вдоль волокон наружных слоев Rф.ск = 0.8 Мпа = 0.08 кН/см2 . Проверяем условие [1], (42):
Прочность клеевого шва достаточна. 2.8 Проверка жесткости панели в целом Наибольший относительный прогиб панели как двухопорной балки по середине пролета вычисляем по формуле:
Условие жесткости
табл.16 удовлетворяется. 3. Проектирование дощатоклееной балки Для двухскатного малоуклонного покрытиятребуется рассчитать и сконструировать стропильную балку в двух вариантах: 1-дощатоклееная не армированная; вариант 2 – дощатоклееная с продольным армированием. 3.1 Исходные данные Пролет поперечника в осях L = 21 м, шаг балок В = 4.5 м. Настил из сборных клеефанерных плит. Нагрузка от собственной массы плит с кровлей: нормативная – 0.404 кН/м2 ; расчетная – 0.471 кН/м2 . Снеговая нормативная нагрузка – 1.71 кН/м2 . Класс ответственности здания – III. Температурно-влажностный режим соответствует A3. Пиломатериал - сосновые доски 2-го и 3-го сортов. Предельный прогиб балки посередине [f/l] = 1:300. 3.2 Решение по варианту 1 из неармированного дощатоклееного пакета Расчетная схема балки на рис.6. Уклон крыши i = 1:15. Расчетный пролет l0 = L - hк = 21 - 0.6 = 20.4 м. Нагрузку от собственной массы балки со связями найдем, приняв Ксв = 6
Подсчет нагрузок на балку приведен в таблице.
*Коэффициент надежности по снеговой нагрузке gf = 1.4 принят в соответствии с п. 5.7 [2] при qн п /pн с = 0.699/1.71 = 0.408 < 0.8. Высоту балки по середине пролета h предварительно определим из условия надежности по деформациям с учетом выражения для прогиба и известной формулы прогиба балки постоянной высоты при равномерно распределенной нагрузке
После подстановки и решения относительно h получим
где b – ширина сечения пакета;
Задавшись предварительно рекомендуемыми отношениями h0 /l = 1/15 и h0 /h » 0.5, по формулам вычисляем
Тогда
Шириной досок для пакета зададимся: b = 17.5 см без фрезерования кромок. Модуль упругости сосны Ед = 1000 кН/см2 = 107 кН/м2 . Подставив значения получаем
Принимаем h = 167 см. На опоре h0 = h – 0.5×l0 ×i = 1.67 – 0.5×20.4×1/15 = 0.99м, что > 0.4×h = 0.668.м. Проверим сечение балки из условий прочности. По [1,табл. 3] находим требуемые расчетные сопротивления: при изгибе для древесины 2-го сорта Rи =15 МПа = 15 кН/см2 ; при скалывании вдоль волокон для 3-го сорта Rск = 1.5 МПа = 0.15 кН/см2 . Коэффициенты условий работы: - для условий эксплуатации A3 по [1,табл.5], mв = 0.9; - для балок высотой 120 см и более по [1,табл.7], mб = 0.8; - при толщине слоя досок в пакете 33 мм по [1,табл.8], mсл = 1. Коэффициент надежности по назначению для зданий II класса gn = 0.9. Поправочные коэффициенты при расчетах: на изгиб на скалывание Поперечная сила в опорном сечении Qmax = 0.5×q×l0 = 0.5×14.51×20.4 =148.1 кН. Минимальная высота балки в опорном сечении из условия прочности на скалывание:
h0 = 99 > 85 см. Прочность на скалывание обеспечена. Расстояние от опоры до расчетного нормального сечения:
Изгибающий момент в сечении xр = 6.05 м равен:
Высота балки в расчетном сечении:
Момент сопротивления расчетного сечения:
Проверим условие устойчивости, задавшись предварительно коэффициентом устойчивости при изгибе jм = 1:
что < Rи ×Õmi = 1.5×0.8 = 1.2 кН/см2 . Условие устойчивости удовлетворяется. При этом фактическая величина коэффициента
Найдем расстояние между связями в плоскости сжатой кромки, при котором jм = 0.927:
гдеkф
= 1.13 и Примем расстояние между связями lр = 255 см из условия расстановки. Поперечное сечение балки компонуем из досок в заготовках 40 мм, после острожки – по пласти 33 мм. В крайних слоях располагаем доски 2-го сорта, а в среднем – 3-го сорта. 3.3 Решение по варианту 2 с продольной арматурой в растянутой зон Задаемся арматурой из 2 Æ 20 А-II, А Из условия расположения стержней следует принять Требуемый момент инерции среднего сечения для обеспечения жесткости берем из расчета по варианту 1 , I Комплексное металлодеревянное сечение приведем к однородному с помощью коэффициента h=ЕS / Еd =20 . Коэффициент m = Для I
В опорном сечении h0
=h – 0.5×l0
×i = 1.606 – 0.5×21×1/15 = 0.906м > Принимаем h0 =90.6 см, не изменяя средней высоты. Уклон при этом равен: Положение расчетного нормального сечения находим по
Изгибающий момент:
Высота расчетного сечения
Приведенные геометрические характеристики расчетного сечения :
Допустимый коэффициент
при этом расстояние между связями в плоскости сжатой кромки должно быть не больше
Принимаем шаг lр =340 см по условию размещения. Стержни 2 O20, А-|| располагаем в квадратных пазах со сторонами а=25мм на эпоксидном клее ЭПЦ-1 или К-123 с наполнителем из древесной муки. Проверяем прочность на скалывание древесины по периметру клеевого шва. Предварительно вычислим геометрические характеристики в опорном сечении. При этом
что < Прочность на скалывание по клеевому шву обеспечена. Проверяем прочность опорной площадки на смятие древесины поперек волокон. По [1, табл.3] для опорных узлов Rсм =3.0 МПа. При ширине опорной площадки b=17.5см требуемая длина ее
Расчёт опорного узла с вклееными поперечными стержнями
Расчётная несущая способность одного стержня
Принимаю стержень d=1.6 см ; ℓ-длина заделки стержня =64 см причём ℓ≥10dи ℓ≥0,7h0
Рекомендуется на опоре в 2 ряда с центральной прокладкой на сварке.
Требуется Проверяем условие жесткости :
Где
4. Проектирование дощатоклееных колонн поперечной рамы одноэтажного здания 4.1 Составление расчетной схемы двухшарнирной поперечной рамы и определение усилий в колоннах Схема поперечника показана на Рис. 5. Поперечное сечение колонн принято bк = 17.5 см, hк = 80 см. Плиты покрытия ребристые клеефанерные толщиной 15.6 см. Кровля рубероидная. Стены панельные навесные толщиной 15.4 см, конструктивно подобны плитам покрытия.
Рис. 5. Расчетная схема поперечной рамы: а – вертикальные нагрузки на поперечную раму; б – параметры ветрового давления; в – статическая расчетная схема (основная система) Расчетные нагрузки от собственной массы конструкций: - от плит покрытия с рулонной кровлей qп = 0.471 кН/м2 . - от стропильных балок со связями qб = 0.354 кН/м2 . - от стеновых панелей qст = 0.341 кН/м2 . Расчетная снеговая нагрузка pсн = 2,4 кН/м2 . Ветровой район строительства – IV. Тип местности – C. Расчетная схема поперечника представляет двухшарнирную П-образную раму. Стойками рамы являются колонны, защемленные в фундаментах, а ригель – – условно недеформируемая стропильная балка, шарнирно опертая на колонны. При подсчете расчетных нагрузок на раму используем разрез и план здания. Шаг рам В = 4.5 м, свес карниза C = 1 м. Постоянные нагрузки: -от покрытия
-от навесных стен
гдеhw = 1.262 м – величина участка выше верха колонны; -от собственной массы со связями при rm = 500 кг/м3 и gf = 1.3:
От снега на покрытии:
Нормативное ветровое давление на уровне земли для III ветрового района принимаем по [2, табл. 5] w0 = 0.48 кН/м2 . На высоте Z от поверхности земли, согласно [2], ветровое давление вычисляется по формуле: wz = w0 × k, где k – коэффициент, характеризующий изменение ветрового давления на высоте, принимаемый по [2, табл. 6]. Для местности типа C значение k и вычисление соответствующих wz приведены ниже :
Неравномерное ветровое давление wz на участке высотою Нк заменяем эквивалентным равномерным wэк . Допускается использовать при этом условие равенства площадей эпюр wz и wэк .
Расчетное давление ветра на 1 п.м. вычисляем с участка стены шириной В с учетом аэродинамических коэффициентов с:
где gf w =1.4 – коэффициент надежности по ветровой нагрузке по [2, п. 6.11]; В = 4.5 м. Значения аэродинамических коэффициентов, соответствующие профилю поперечника (см. Рис. 5) находим по [2, прил. 4, схема 2]: с наветренной стороны се = 0.8, с подветренной се3 = – 0.6. При этом: с наветренной стороны qw = 0.192 × 0.8 × 1.4 × 4.5 = 0.968 кН/м; с подветренной q'w = – 0.192 × 0.4 × 1.4 × 4.5 = – 0.726 кН/м. Ветровое давление с участков стен, расположенных выше верха колонн: c наветренной стороны W = ((0.4015+0.42043)/2 )× 1.262× 0.8 × 1.4 × 4.5 = 2.614 кН; с подветренной W' = – 0.411 × 1.262 × 0.6 × 1.4 × 4.5 = – 1.96 кН. Расчетная схема поперечника с усилием в лишней связи X1 показана на рис.8, в. Вычисляем продольное усилие в стропильной балке:
Рис. 6. Расчетные схемы и расчетные усилия в колоннах. Рассматриваем далее левую и правую стойки как статически определимые и для каждой из них определяем усилия в расчетных сечениях. Основными для расчета являются сечения в уровне низа и верха колонн. Заметим при этом, что при изменении направления ветра на противоположное, усилия в каждой из стоек станут также зеркальным отображением противоположной. На рис.9 показаны обе схемы загружения и эпюры N и M. Левая стойка: - верх:
- низ :
Правая стойка: - верх: N п 0 = 165.4 кН; M п 0 = 0; - низ: N п max = 190.7 кН;
Расчетные усилия: N0 =165.4 кН; Nmax = 190.7 кН; Mmax = 63.364 кН×м. 4.2 Конструктивный расчет стержня колонны Производим проверку сечения дощатоклееной колонны (рис.8, а) из условий устойчивости в плоскости и из плоскости поперечника. Сечение колонны bк = 17.5 см, hк = 80 см. Пиломатериал – сосновые доски 2-го сорта толщиной 33 мм. По [1, табл.3] Rс = 15 МПа. Прикрепление к фундаменту выполнено с помощью анкерных болтов – жесткое в плоскости поперечника и условно-шарнирное из плоскости. Коэффициенты условий работы: - для условий эксплуатации A3 по [1, табл.5], mв = 0.9; - для колонн с высотой сечения 80 см по [1, табл.7], mб = 0.9; - при толщине слоя досок в пакете 33 мм по [1, табл.8], mсл = 1.0. Коэффициент надежности по назначению для зданий III класса gn = 0.90. 4.2.1 Проверка устойчивости колонны в плоскости поперечника Предварительно вычисляем:
Расчетная длина lох = 2.2×Hк = 2.2 × 960 = 2112 см; радиус инерции rх = 0.289×hк = 0.289 × 80 = 23.12 см; гибкость lх = lох / rх = 2112/23.12 = 91.349 что удовлетворяет условию lх < lmax = 120. Вычисляем коэффициент продольного изгиба :
Вычисляем:
где Изгибающий момент по деформированной схеме:
Проверяем условие устойчивости:
что < Rc = 1.35 кН/см2 . Устойчивость в плоскости поперечника обеспечена. 4.2.2 Проверка устойчивости колонны из плоскости поперечника Предварительно определим jy в предположении, что промежуточных связей нет: Расчетная длина lоy = Hк = 960 см; радиус инерции ry = 0.289×bк = 0.289 × 17.5 = 5.0575 см; гибкость ly = lоy / ry = 960/5.0575 = 189.817. Так как ly = 189.817 > lmax = 120, то постановка промежуточных связей необходима . Проверяем устойчивость при одной промежуточной связи. Гибкость ly = 0.5 ×960/5.0575 = 94.909, что < lmax = 120. Вычисляем коэффициент продольного изгиба при l > 70:
Проверяем условие устойчивости:
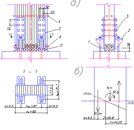
Устойчивость из плоскости поперечника обеспечена. 4.3 Расчет и конструирование узла крепления колонны к фундаменту Требуется спроектировать опорный узел дощатоклееной колонны с металлическими траверсами по типу показанного на рис.10.
Рис. 7. Узел соединения колонны с фундаментом: а – конструкция узла; б – расчетная схема; 1 – фундаментные болты; 2 – траверсы; 3 – болты; 4 – вклеенные стержни; 5 – эпоксидная шпаклевка Исходные данные: поперечное сечение колонны bк х hк = 17.5 х 80 см. Доски из древесины сосны 2-го сорта толщиной 33 мм. Определение расчетных усилий в плоскости сопряжения с фундаментом.
Вычисляем эксцентриситет:
Так как е = 1.325 м больше hк /6 = 0.80/6 = 0.133, то имеется отрывной участок по плоскости сопряжения, следовательно, требуется расчет фундаментных болтов и элементов траверс. 4.5 Расчет фундаментных болтов Вычисляем максимальное и минимальное напряжения в опорном сечении (см. Рис. 7, б):
smax = 0.52 кН/см2 ; smin = – 0.42 кН/см2 – отрывной участок. Определяем высоту сжатой зоны:
Задаемся dб = 20 мм и находим (см. рис.10, а): а = 0.5 × S2 + S1 = 4.75 × dб = 4.75 × 2.0 = 9.5 см;
Принимаем фундаментные болты из стали марки ВСт3 кп 2 по ГОСТ 535-88 (см. табл. 60 [5]) с расчетным сопротивлением Ry = 185 МПа = 18,5 кН/см2 . Находим требуемую площадь одного болта в нарезной части:
Принимаем болт диаметром dан = 27 мм, которому соответствует Fнт = 4,59см2 > 4,06 см2 . Расстояние между фундаментными болтами в плане (см. Рис. 7, а) получим с учетом принятых а = 95 мм и dан = 27мм:
4.6 Расчет соединительных болтов Расчетную несущую способность соединительных (глухих) болтов для крепления траверс к колонне находим по формуле как наименьшее из двух значений: Тгл
=0.5 × bк
× dгл
= 0.5 × 17.5 × 2 = 17,5 кН/шов. Тгл = 2,5× d2 гл =2,5 × 22 = 10 кН/шов. Определяем количество болтов:
Принимаем 8 болтов, размещаем их в два ряда с шагом: S1 ³ 7 × dб = 7 ×20 = 140 мм; S2 ³ 3.5 × dб = 3.5 ×20 = 70 мм; S3 ³ 3 ×dб = 3 × 20 = 60 мм. СПИСОК ИСПОЛЬЗОВАННЫХ ИСТОЧНИКОВ 1. СНиП II-25-80. Деревянные конструкции: Нормы проектирования /Госстрой СССЗ. – М.: Стройиздат, 1983. –31с. 2. СНиП 2.01.07-85. Нагрузки и воздействия /Госстрой СССР. –М.: ЦИТП Госстроя СССР, 1986. –36 с. 3. Зубарев Г.Н. Конструкции из дерева и пластмассы: Учебное пособие для студентов вузов, обучающихся по специальности "Промышленное и гражданское строительство". – 2-е изд., перераб. и доп. – М.: Высшая школа, 1990. –287 с. 4. Проектирование и расчет деревянных конструкций: Справочник /Под ред. Н.М.Гриня. –К.:Будивельник, 1988. –240 с. 5. Рекомендации по проектированию панельных конструкций с применением древесины и древесных материалов для производственных зданий / ЦНИИСК им. Кучеренко. – М.:Стройиздат, 1982. –12 с. 6. Серия 1.265 – 1. Деревянные панели покрытий общественных зданий. Вып. 3./ ЦНИИЭП учебных зданий. – М., 1979. – 28 с. 7. ГОСТ 20850 – 84. Конструкции деревянные клееные. Общие технические условия. 8. ГОСТ 24454 – 80 Е. Пиломатериалы хвойных пород. Размеры. 9. СТ СЭВ 4409 – 83. Единая система проектно-конструкторской документации СЭВ. Чертежи строительные. Правило выполнения чертежей деревянных конструкций. |
|||||||||||||||||||||||||||||||||||||||||||||||||||||||||||||||||||||



см,



кН/м2
, где
.
,
– поправочный коэффициент.
;
.
м.
;
.
см,
м.
кН×м.
см3
.
кН/см2
,
.
см,
– коэффициенты.
= 6792133.54 см2
см
м .
кН×м.
см4
,
см3
,
кН/см2
, что < Rи
×Õmi
= 1.5×0.8 = 1.2 кН/см2
.
,
см.
,
см4
,
см3
,
кН/см2
,
см.
- учитывает неравномерность 

- на срез независимо от сорта древесины.
-длиной по 64 см. или 6стержней меньшей длины.
;
см4
,

кН;
кН.
кН/2
.




,
кН/см2
.
кН×м.
кН/см2
,
кН/см2
, что < Rc
= 1.35 кН/см2
.
кН×м;
м.
кН/см2
см.
см2
.
шт.